Audio Hi-Fi a Válvulas
Creado por Retroaudio
El apasionante, sin igual, mundo de las Válvulas Termoiónicas. El "cálido y ardiente" sonido que aportan estos componentes. Estos circuitos y montajes bien calculados, bien cableados, utilizando componentes de calidad, los resultados no dejan lugar a dudas; se disfrutan desde que empezamos a mecanizar, soldar, ajustar, probar, etc...
¡ATENCIÓN: LOS CIRCUITOS A VÁLVULAS TRABAJAN CON TENSIONES, VOLTAJES ALTOS Y MUY PELIGROSOS. NO ES ACONSEJABLE MANIPULAR ESTOS EQUIPOS, INCLUSO DESENCHUFADOS, SIN UN TOTAL CONOCIMIENTO DE LO QUE SE ESTÁ HACIENDO, BAJO RESPONSABILIDAD INDIVIDUAL. DICHOS VOLTAJES, PUEDEN OCASIONAR LESIONES GRAVES, INCLUSO LETALES EN PERSONAS Y ANIMALES!
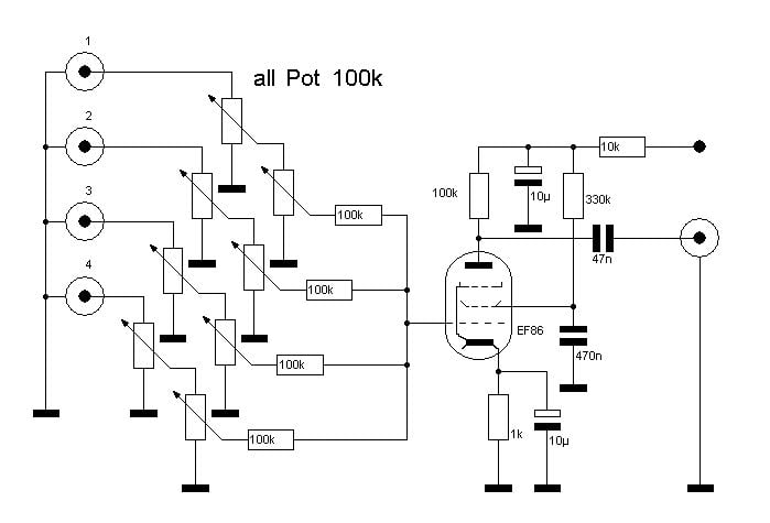
Hice un diseño de circuito Preamplificador Mezclador de línea con una EF86, pentodo de señal, muy utilizado por los fabricantes referencia en Europa: Telefunken, Siemens, Philips, Mullard, etc. Con cualquiera de ellos, la calidad está asegurada, si nos los podemos permitir. Son muy buscados y cotizados en el mercado actual.

Acerca del grupo
Mensaje de bienvenida
¡Bienvenido a Audio Hi-Fi a Válvulas! Por favor, lee nuestras reglas y disfruta de la comunidad.
Código de conducta:
